Zvukově izolovaný radiální ventilátor CVAT/4-560
Upozornění: používejte ventilátor pouze k určenému účelu, instalaci by měla provádět kvalifikovaná osoba, dodržujte návod výrobce, pravidelně kontrolujte a čistěte ventilátor, zvýšená hlučnost nebo vibrace může značit poškození, ventilátor nerozebírejte, při práci používejte vhodné ochranné prostředky a nářadí, při nesprávné instalaci nebo poškození může dojít k úrazu elektrickým proudem, při přehřátí nebo zkratu může dojít k požáru, při údržbě nebo čištění hrozí úraz rotujícími částmi ventilátoru.
Zvukově izolovaný radiální ventilátor CVAT/4-560
Ventilátory CVAB / CVAT jsou vhodné pro vzduchotechnické aplikace, kde se s výhodou uplatní nízká hlučnost ventilátoru, zejména k odvětrání restaurací, průmyslových kuchyní, sportovních hal, nemocnic, skladů a bazénů.
- Skříň je rámové konstrukce s bočními sendvičovými panely tloušťky 25 mm, které jsou k rámu skříně přichyceny samořeznými šrouby. Sendvičové panely se skládají z vnějšího i vnitřního pozinkovaného plechu, uvnitř se zvukově izolační výplní ze skelné minerální vlny. Jednotlivé panely je možné sejmout. Ventilátor je uložen ve skříni na odpružených profilech, aby se omezil přenos vibrací. Na skříni jsou kruhová hrdla s jednobřitým těsněním. Pod skříní je ocelový montážní rám. Jednotlivé panely jsou zaměnitelné za panel s výtlačným hrdlem. Při provozu ventilátoru je skříň v přetlaku.
- Oběžné kolo je radiální s dozadu zahnutými lopatkami, je staticky a dynamicky vyváženo.
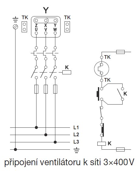
- Motory ventilátorů CVAB jsou 1-fázové pro napětí 230 V, motory CVAT jsou 3-fázové pro napětí 230/400 V nebo 3-fázové pro napětí 400 V. Motory jsou vybavené tepelnou ochranou. Uzavřená bezúdržbová kuličková ložiska s tukovou náplní po dobu životnosti. Krytí IP55, izolace třídy F, pracovní teplota –40 až +60 ˚C.
- Regulace se provádí změnou napětí (CVAB) nebo frekvenčními měniči (CVAT).
- Montáž se provádí pouze v poloze zobrazené na rozměrovém náčrtku s osou motoru vodorovně. Umístění výtlačného hrdla lze změnit při montáži záměnou panelu s hrdlem s některým bočním nebo horním plným panelem.
| Průměr mm | 560 |
|---|---|
| Průtok m3/hod | 11920 |
| Otáčky min-1 | 1430 |
| Výkon W | 2420 |
| Napětí V | 230, 400 |
| Proud A | 4,2, 7,3 |
| Minimální provozní teplota °C | -40 |
| Maximální provozní teplota °C | 60 |
| Akustický hluk dB | 73 |
| Stupeň krytí | IP55 |
| Hmotnost kg | 130 |
| Výrobce | S&P SISTEMAS DE VENTILACIÓN, S.L.U. Polígono Industrial Llevant, 08150 Parets del Vallès, consultas@solerpalau.com |



















